武汉瑞源时空导航科技有限公司

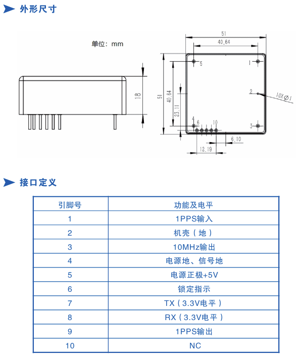
LIP Rb3120微型铷原子钟

锁定时间:≤5min(+25℃环境)

存储温度:-55℃~100℃

工作温度:-45℃~75℃

温度特性:5E-10(-45℃~75℃)

频率漂移率:1E-11/天

产品概述

公司地址:武汉瑞源时空导航科技有限公司

电话:13570841109

邮箱:roseluo@whrysk.com